Français
▼
Français
English
Español
Deutsch
Italiano
Accueil
Qui sommes nous ?
NOS DIVISIONS
▼
Division Industrie
Réducteur
Réducteur / Moteur Inox
Moteur Asynchrone ELK
COBOT
Moteur Courant Continu Basse Tension
Moteur Courant Continu Excitation Séparé
Vérin Electrique
Module Linéaire
Variateurs
Division Agricole
Travail du sol
Mélangeurs alimentaires
Traitement des cultures
Autres applications
Division Mobile
Roue électrique
Réducteur de roue
Pont électrique
Moteur de propulsion
Transmission
Autres
omni
Division Mécanique
Fonderie MES
Usinage / Mécano-soudure
E-Commerce
Outils
▼
CALCULATEUR
CONCURRENT
Nos coordonnées
▼
Contact
YILMAZ REDUKTOR France
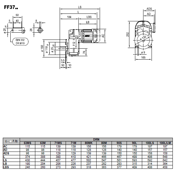
FF37